22.11.2018, 18:47
Hallo
Bei unserem Mini ist leider die Frontscheibe gesprungen, so das ich eine neue brauche.
Nun meine eigentliche Frage.
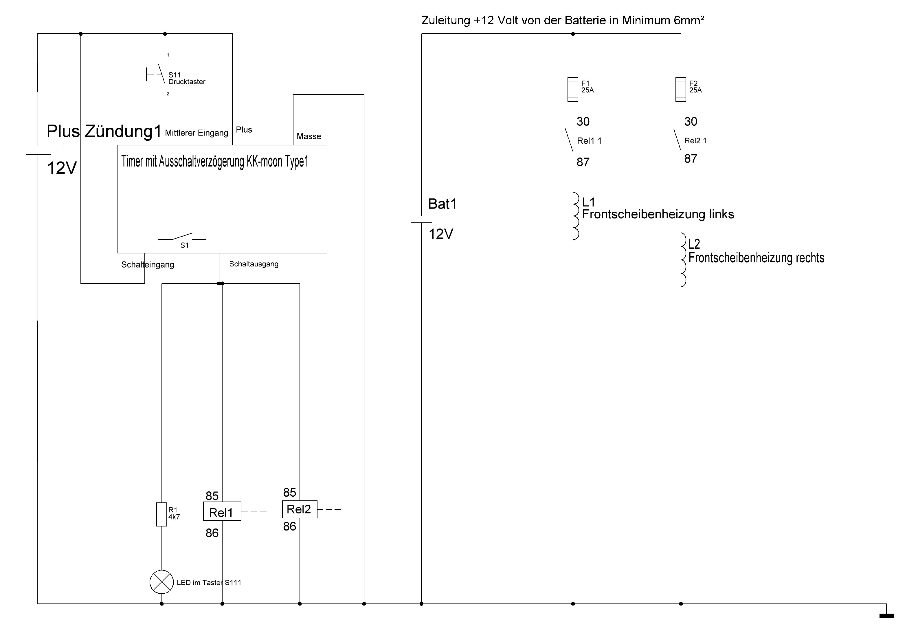
Kann ich eine beheizbare einbauen?
Wie sind die Anschlüsse bei so einer beheizten Frontscheibe???
Mit externem Relais und Schalter könnte man das doch locker hin bekommen.
Das wäre die dann.
https://www.daparto.de/Teilenummernsuche...TypeId=401
oder die
https://www.daparto.de/Teilenummernsuche...TypeId=401
falls es nicht geht, könnte ich mir beim schwarzen Mini auch eine "normale" mit Blaukeil vorstellen.
https://www.daparto.de/Teilenummernsuche...TypeId=401
Da der Mini aber draußen steht, wäre mir so eine heizbare Frontscheibe schon was Wert.
Ob die Drähte stören oder nicht, will ich hier nicht zur Disskussion stellen. Es geht nur darum ob es machbar wäre.
Danke für die Antworten
Gruß
Markus
Bei unserem Mini ist leider die Frontscheibe gesprungen, so das ich eine neue brauche.
Nun meine eigentliche Frage.
Kann ich eine beheizbare einbauen?
Wie sind die Anschlüsse bei so einer beheizten Frontscheibe???
Mit externem Relais und Schalter könnte man das doch locker hin bekommen.
Das wäre die dann.
https://www.daparto.de/Teilenummernsuche...TypeId=401
oder die
https://www.daparto.de/Teilenummernsuche...TypeId=401
falls es nicht geht, könnte ich mir beim schwarzen Mini auch eine "normale" mit Blaukeil vorstellen.
https://www.daparto.de/Teilenummernsuche...TypeId=401
Da der Mini aber draußen steht, wäre mir so eine heizbare Frontscheibe schon was Wert.
Ob die Drähte stören oder nicht, will ich hier nicht zur Disskussion stellen. Es geht nur darum ob es machbar wäre.
Danke für die Antworten
Gruß
Markus
Jetzt, 11.07.2019 Mini Cooper "S"
174 PS Bj.:2008 Astroblack 17" Klimaautomatik, Panoramadach, Leder, Sportlenkrad, Motor N14, Sport Button, Zusatzinstrumente, erst 52TkmVerkauft:

-Team

![[-]](https://www.mini2.info/images/bootbb/collapse.png)