Dieses Forum verwendet Cookies
Dieses Forum benutzt Cookies um Deine Login-Informationen zu speichern, falls Du hier registriert bist oder von Deinem letzten Besuch, falls Du nicht registriert bist. Cookies sind kurze Textdateien, die auf Deinem Computer/Gerät gespeichert werden; die Cookies, die von diesem Forum erstellt werden, können nur hier benutzt werden und stellen kein Sicherheitsrisiko dar. Unsere Cookies speichern Informationen zu den von Dir gelesenen Themen. Durch den Zugriff auf diese Internetcommunity schließt du einen Nutzungsvertrag mit dem Betreiber dieser Community und erklärst dich mit den hier abgebildeten Regeln und der Datenschutzerklärung einverstanden. Wenn du mit unseren Regeln oder der Datenschutzerklärung nicht einverstanden bist, darfst du die Community nicht mehr betreten oder sie nutzen. Bitte bestätige die Frage, ob Du Cookies annimmst oder ablehnst.

Unabhängig von dieser Auswahl wird trotzdem ein Cookie in Deinem Gerät gespeichert, um Dir diese Frage beim nächsten Besuch nicht noch einmal zu stellen. Du kannst die Cookie Einstellung jederzeit über den Link in der Datenschutzerklärung ändern.

Wichtige Ankündigung
Liebe Forengemeinde,

Wir führen hinter den Kulissen aktuell Gespräche, nach deren Beendigung wir hoffen, euch das Forum weiterhin als Informationsquelle bereitstellen zu können.
Daher haben wir uns entschlossen das Forum über das geplante Abschaltdatum (30.06.2024) hinaus erst einmal am Leben zu halten.

In diesem Zuge haben wir aktuell die Möglichkeit zur Registrierung für neue Benutzer deaktiviert.

Näheres folgt in Kürze...

Euer MINI²-Team


Weitere Infos erhaltet Ihr im zugehörigen Thema: Time to Say Goodbye: MINI² geht am 30.06.2024 in den Ruhestand

Sitzheizung nur lauwarm (R55 2012)
#6

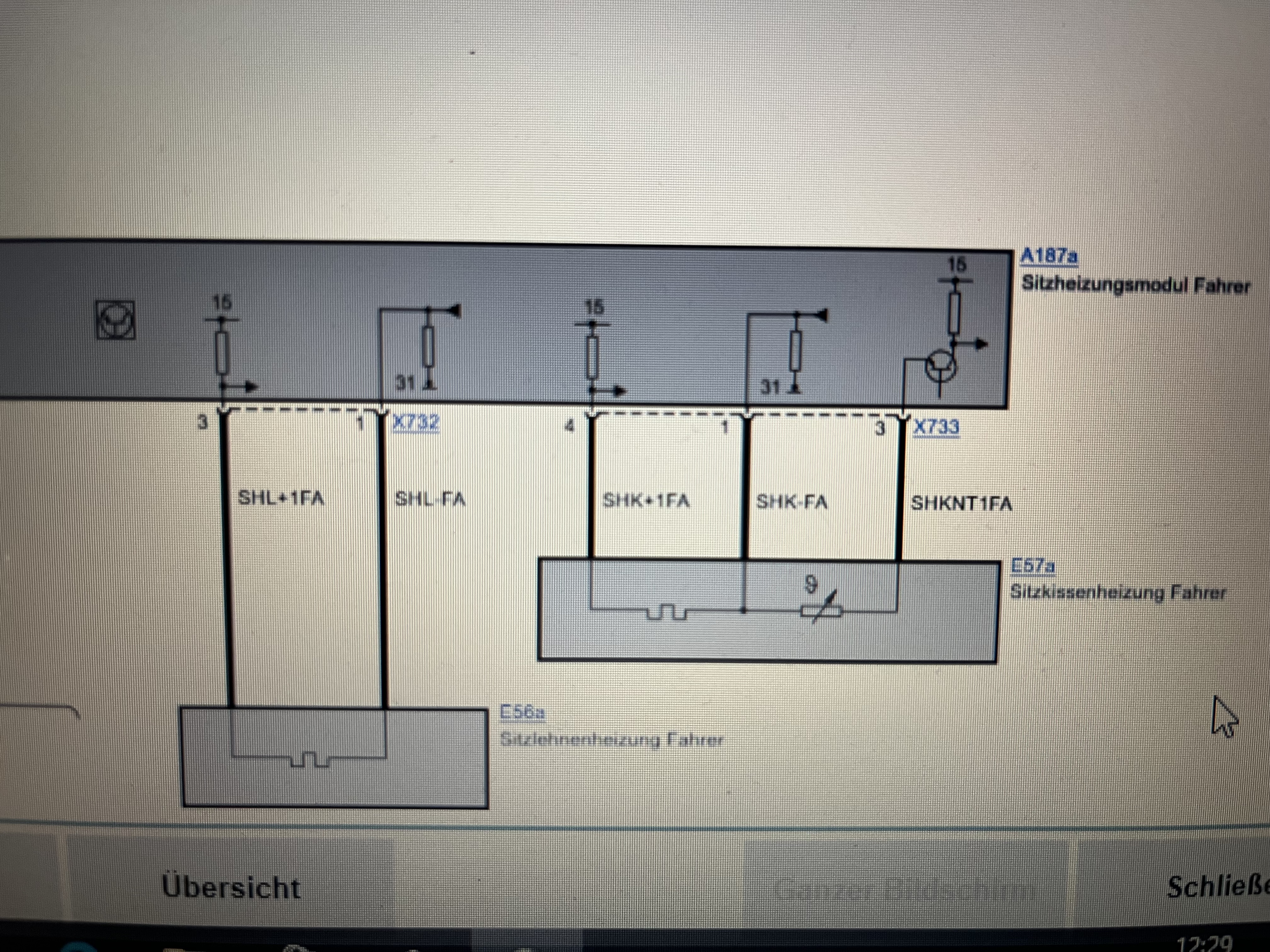
Vieleicht hilft dir ein Schaltplan weiter.


Angehängte Dateien Thumbnail(s)
                   
Zitieren


Nachrichten in diesem Thema
Sitzheizung nur lauwarm (R55 2012) - von N5X77 - 23.11.2025, 04:00
RE: Sitzheizung nur lauwarm (R55 2012) - von bezerker - 24.11.2025, 09:38
RE: Sitzheizung nur lauwarm (R55 2012) - von N5X77 - 24.11.2025, 21:48
RE: Sitzheizung nur lauwarm (R55 2012) - von N5X77 - 06.12.2025, 04:38
RE: Sitzheizung nur lauwarm (R55 2012) - von chevini - 06.12.2025, 10:03
RE: Sitzheizung nur lauwarm (R55 2012) - von N5X77 - 07.12.2025, 17:03
RE: Sitzheizung nur lauwarm (R55 2012) - von Schrauber - 06.12.2025, 13:40
RE: Sitzheizung nur lauwarm (R55 2012) - von Schrauber - 07.12.2025, 18:22
RE: Sitzheizung nur lauwarm (R55 2012) - von N5X77 - 07.12.2025, 23:39
RE: Sitzheizung nur lauwarm (R55 2012) - von Schrauber - 08.12.2025, 07:24
RE: Sitzheizung nur lauwarm (R55 2012) - von N5X77 - 08.12.2025, 21:01

Gehe zu:


Benutzer, die gerade dieses Thema anschauen: 1 Gast/Gäste
Wichtige Ankündigung
Liebe Forengemeinde,

Wir führen hinter den Kulissen aktuell Gespräche, nach deren Beendigung wir hoffen, euch das Forum weiterhin als Informationsquelle bereitstellen zu können.
Daher haben wir uns entschlossen das Forum über das geplante Abschaltdatum (30.06.2024) hinaus erst einmal am Leben zu halten.

In diesem Zuge haben wir aktuell die Möglichkeit zur Registrierung für neue Benutzer deaktiviert.

Näheres folgt in Kürze...

Euer MINI²-Team


Weitere Infos erhaltet Ihr im zugehörigen Thema: Time to Say Goodbye: MINI² geht am 30.06.2024 in den Ruhestand