Beiträge: 12.341
	Themen: 256
	Gefällt mir erhalten: 11 in 11 Beiträgen
Gefällt mir gegeben: 1
	Registriert seit: 24.10.2004
	
MINI: R50
Modell: Cooper
Wohnort: im organisierten Chaos
		
	
 
	
	
		Moin,
lange hab ich im Forum herum gesucht und alles mögliche zum Aux Adapter zusammen gesucht.
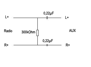
... mich an die Arbeit gemacht und so ein Teil mit Wiederstand gebastelt ... Und jetzt das Radio interessiert es garnicht ob da was drann hängt 
 
Ich hab nen facelift Boost und könnte mir bitte mal einer die Ganz genaue Pinnbelegung die ich für das Aux kabel brauche posten  
Danke 
 
	 
	![[-]](https://www.mini2.info/images/bootbb/collapse.png) •
 
	
	  • 
 
 
 
	
	
	
		
	Beiträge: 16.693
	Themen: 20
	Gefällt mir erhalten: 0 in 0 Beiträgen
Gefällt mir gegeben: 0
	Registriert seit: 09.03.2004
	
Wohnort: auf'm Land
		
	
 
	
	
		Wende dich doch mal an "Plööö", ich glaub der könnte dir weiterhelfen!
	
	
	
	
	
	
 
	![[-]](https://www.mini2.info/images/bootbb/collapse.png) •
 
	
	  • 
 
 
 
	
	
	
		
	Beiträge: 3.178
	Themen: 25
	Gefällt mir erhalten: 7 in 6 Beiträgen
Gefällt mir gegeben: 0
	Registriert seit: 05.04.2005
	
MINI: F60
Modell: Cooper S
Wohnort: Garage
		
	
 
	
	
		SebastianS schrieb:Moin,
lange hab ich im Forum herum gesucht und alles mögliche zum Aux Adapter zusammen gesucht.
... mich an die Arbeit gemacht und so ein Teil mit Wiederstand gebastelt ... Und jetzt das Radio interessiert es garnicht ob da was drann hängt 
Ich hab nen facelift Boost und könnte mir bitte mal einer die Ganz genaue Pinnbelegung die ich für das Aux kabel brauche posten 
Danke 
Hier ein Link mit Bildern So hab ich meinen gemacht
http://www.neeshil.com/nsite/miniaux.asp
Oder hier
http://forum.mini2ig.de/showthread.php?t...ux+Adapter
	 
	
	
	
	
	
 
	![[-]](https://www.mini2.info/images/bootbb/collapse.png) •
 
	
	  • 
 
 
 
	
	
	
		
	Beiträge: 12.341
	Themen: 256
	Gefällt mir erhalten: 11 in 11 Beiträgen
Gefällt mir gegeben: 1
	Registriert seit: 24.10.2004
	
MINI: R50
Modell: Cooper
Wohnort: im organisierten Chaos
		
	
 
	
	
		Old Mini schrieb:Hier ein Link mit Bildern So hab ich meinen gemacht
http://www.neeshil.com/nsite/miniaux.asp
das hab ich ja auch gemacht nur kann ich nicht Mode umschalten ... da kommt immer "No Disc" und dann geht es wieder aufs Radio ...  und das obwohl mein Ausgabe gerät Musik abspielt 
 
	 
	
	
	
	
	
 
	![[-]](https://www.mini2.info/images/bootbb/collapse.png) •
 
	
	  • 
 
 
 
	
	
	
		
	Beiträge: 3.178
	Themen: 25
	Gefällt mir erhalten: 7 in 6 Beiträgen
Gefällt mir gegeben: 0
	Registriert seit: 05.04.2005
	
MINI: F60
Modell: Cooper S
Wohnort: Garage
		
	
 
	
	
		Wenn du es genau so gemacht hast muss es gehn
wichtig ist der Stecker das muß 100 pro stimmen dafür sind die bilder und die Belegung verschieden schau sie dir genau an. Bei mir hat es auch erst nicht gefunzt
Auf dem Bild muß das gelbe Kabel eins nach lks.
	
	
	
	
		
		
(Dieser Beitrag wurde zuletzt bearbeitet: 15.08.2006, 22:51 von 
Old Mini.)
 
	 
	
	
 
	![[-]](https://www.mini2.info/images/bootbb/collapse.png) •
 
	
	  • 
 
 
 
	
	
	
		
	Beiträge: 12.341
	Themen: 256
	Gefällt mir erhalten: 11 in 11 Beiträgen
Gefällt mir gegeben: 1
	Registriert seit: 24.10.2004
	
MINI: R50
Modell: Cooper
Wohnort: im organisierten Chaos
		
	
 
	
	
		Old Mini schrieb:Wenn du es genau so gemacht hast muss es gehn
wichtig ist der Stecker das muß 100 pro stimmen dafür sind die bilder und die Belegung verschieden schau sie dir genau an. Bei mir hat es auch erst nicht gefunzt
Auf dem Bild muß das gelbe Kabel eins nach lks.

 stimmt alles 

 aber das ich per Mode umschalte is schon richtig 

 oder gibts da noch nen trick
	
 
	
	
	
	
	
 
	![[-]](https://www.mini2.info/images/bootbb/collapse.png) •
 
	
	  • 
 
 
 
	
	
	
		
	Beiträge: 3.178
	Themen: 25
	Gefällt mir erhalten: 7 in 6 Beiträgen
Gefällt mir gegeben: 0
	Registriert seit: 05.04.2005
	
MINI: F60
Modell: Cooper S
Wohnort: Garage
		
	
 
	![[-]](https://www.mini2.info/images/bootbb/collapse.png) •
 
	
	  • 
 
 
 
	
	
	
		
	Beiträge: 12.341
	Themen: 256
	Gefällt mir erhalten: 11 in 11 Beiträgen
Gefällt mir gegeben: 1
	Registriert seit: 24.10.2004
	
MINI: R50
Modell: Cooper
Wohnort: im organisierten Chaos
		
	
 
	
	
		Old Mini schrieb:Nein kein Trick radio dann CD dann Aux
dann gehts net 
 
hab jetzt die Pinbelegung genau so gemacht und den wiederstand auch noch mal raus genommen ... 
Pin  3 = Audio L+
Pin  4 = Audio R+
Pin 10 = Audio -
passiert nücht 
 
	 
	
	
	
	
	
 
	![[-]](https://www.mini2.info/images/bootbb/collapse.png) •
 
	
	  • 
 
 
 
	
	
	
		
	Beiträge: 3.178
	Themen: 25
	Gefällt mir erhalten: 7 in 6 Beiträgen
Gefällt mir gegeben: 0
	Registriert seit: 05.04.2005
	
MINI: F60
Modell: Cooper S
Wohnort: Garage
		
	
 
	
	
		SebastianS schrieb:dann gehts net 
hab jetzt die Pinbelegung genau so gemacht und den wiederstand auch noch mal raus genommen ... 
Pin  3 = Audio L+
Pin  4 = Audio R+
Pin 10 = Audio -
passiert nücht 
Pin 4 ist auf meiner Zeichnung Masse
	
 
	
	
	
	
	
 
	![[-]](https://www.mini2.info/images/bootbb/collapse.png) •
 
	
	  • 
 
 
 
	
	
	
		
	Beiträge: 6.966
	Themen: 17
	Gefällt mir erhalten: 3 in 3 Beiträgen
Gefällt mir gegeben: 0
	Registriert seit: 16.02.2004
	
Wohnort: Irgendwo um München
		
	
 
	![[-]](https://www.mini2.info/images/bootbb/collapse.png) •
 
	
	  •