04.04.2017, 15:23
Ein Blick ins WDS könnt helfen.
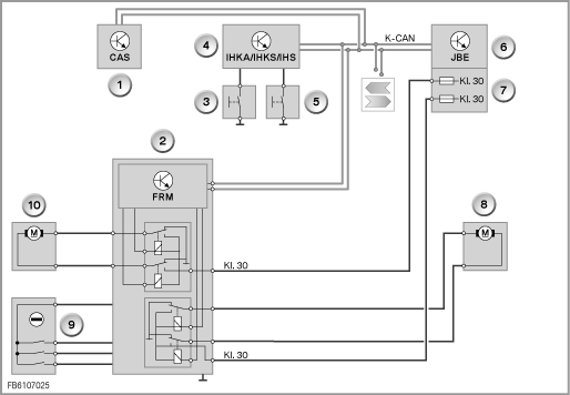
Power Window Motor:
There is a DC motor in each door which drives the power windows. There is a measuring resistor in the power-window motor. The power windows are designed as wire lifter drives. A measuring resistor measures the voltage drop and thus the current consumption. The footwell module (FRM) monitors the motor operation. The window lifter motor runs at different speeds depending on the window position and operation.
![[Bild: attachment.php?attachmentid=106923&stc=1&d=1491312101]](http://www.mini2.info/forum/attachment.php?attachmentid=106923&stc=1&d=1491312101)
10 ist der Fensterheber Motor.
Wenn der Motor fährt wenn Du direkt Spannung drauf gibst, könnte es am Relais im FRM liegen.
Wenn die Berechnung der Last allerdings im FRM erfolgt und nicht wie obiger Text vermuten lässt im Motor, dann gehts vielleicht einfach zu schwer... Hast Du mal den Strom gemessen der beim Hochfahren fließt? Vergleichsmessung mit der anderen Seite wäre ja möglich.
Power Window Motor:
There is a DC motor in each door which drives the power windows. There is a measuring resistor in the power-window motor. The power windows are designed as wire lifter drives. A measuring resistor measures the voltage drop and thus the current consumption. The footwell module (FRM) monitors the motor operation. The window lifter motor runs at different speeds depending on the window position and operation.
10 ist der Fensterheber Motor.
Wenn der Motor fährt wenn Du direkt Spannung drauf gibst, könnte es am Relais im FRM liegen.
Wenn die Berechnung der Last allerdings im FRM erfolgt und nicht wie obiger Text vermuten lässt im Motor, dann gehts vielleicht einfach zu schwer... Hast Du mal den Strom gemessen der beim Hochfahren fließt? Vergleichsmessung mit der anderen Seite wäre ja möglich.

-Team

![[-]](https://www.mini2.info/images/bootbb/collapse.png)