Gelber_Chris schrieb:Hey Alex,
beim Zylinderkopf weiß ich jetzt leider auch nicht was da genau anders ist
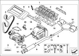
anbei mal die Bildtafel vom originalem JCW-Kit
, find halt das ein echter Works die komp. originalen Bauteile braucht- das Kit kostet ja auch nicht gerade wenig und man wird sich schon Gedanken gemacht haben warum da z.b. ein neuer Zylinderkopf dabei ist! Zertifikat + Software+Riemen+Kompressor ist ja auch noch dabei!
Natürlich hast Du damit Recht Chris - und ob man wirklich 100%ig die JCW Leistung erreicht kann ich nicht sagen. Ich weiß nur, dass die Änderungen an meinen beiden Mini Cooper S R53 gut Leistung gebracht haben. Hängt immer auch von der aktuellen Leistung des zu tunenden Minis ab.
Beim ersten Mini 2004 war das "kleineres Pulley mit Riemen und passende Zündkerzen von HITEC Automotive und Software von Franz Hölzl MTH" - eingetragen war im Kfz-Schein Hartge-Tuning mit 200 PS und bei zwei unabhängigen Messungen auf zwei neutralen Leistungsprüfständen hatte mein Mini einmal 202 PS und einmal 206 PS. Und das Wichtigste: ich konnte locker mit serienmäßigen JCW Werks-Minis mithalten.
Dieser Mini erfreut sich bester Gesundheit und hat aktuell ca. 70.000 km auf dem Tacho - und fährt seit 10/2004 bisher mehr als 65.000 km absolut problemlos mit dem Tuning
Mein aktueller R53 hat 58er Pulley mit passendem Riemen, JCW Düsen, JCW Software, entsprechende Zündkerzen, neuen Kompressor - der Kleine geht echt gut (gefühlt noch etwas besser als mein früherer Mini, aber da kann ich mich auch täuschen.
Insgesamt ist das Werks-JCW-Kit sicher erste Wahl, aber mal ehrlich, dafür ist es preislich auch extrem abgehoben
Ich wollte mit meinen Ausführungen auch nur sagen, dass ich persönlich immer das 58er Pulley wählen würde und die JCW Software - sicher besser als den Mini Cooper S nur mit Software leistungstechnisch minimal nach vorne zu bringen.
Gruß Axel F.
R53 JCW - endlich wieder Kompressor-Jaulen