Beiträge: 477
Themen: 14
Gefällt mir erhalten: 139 in 102 Beiträgen
Gefällt mir gegeben: 8
Registriert seit: 08.09.2018
MINI: R58
Modell: John Cooper Works
Wohnort: Blumberg
Steht doch da Mini Cooper, sollte also gehen.

Erfahrung bedeutet nur das man eine Sache auch 35 Jahre falsch machen kann.
•
Beiträge: 268
Themen: 18
Gefällt mir erhalten: 72 in 53 Beiträgen
Gefällt mir gegeben: 68
Registriert seit: 11.02.2018
Wohnort: N
In der Überschrift steht
NOT SUPPORT
🤔
•
Beiträge: 477
Themen: 14
Gefällt mir erhalten: 139 in 102 Beiträgen
Gefällt mir gegeben: 8
Registriert seit: 08.09.2018
MINI: R58
Modell: John Cooper Works
Wohnort: Blumberg
Mini Cooper bis 2008, nach 2008 wohl schon laut der rechten Info Box.
Jetzt sollten wir nur noch das Baujahr wissen.

Erfahrung bedeutet nur das man eine Sache auch 35 Jahre falsch machen kann.
(Dieser Beitrag wurde zuletzt bearbeitet: 01.08.2022, 15:28 von
Coupeler.)
•
Beiträge: 1.280
Themen: 70
Gefällt mir erhalten: 524 in 376 Beiträgen
Gefällt mir gegeben: 0
Registriert seit: 26.05.2016
MINI: R53
Modell: Cooper S
Wohnort: Paderborn
Es fahren doch genug der zweiten Generation mit so einem Teil rum…
Beiträge: 17
Themen: 1
Gefällt mir erhalten: 1 in 1 Beiträgen
Gefällt mir gegeben: 1
Registriert seit: 06.03.2018
MINI: R56
Modell: Cooper
Wohnort: RheinMain
Hallo,
danke für rege Teilnahme, für den Übergang ist das sicherlich mal nicht die schlechteste Lösung.
Hintenraus ist mir jedoch die klassische Variante lieber. Schon weil die Erfahrung fehlt wenn da ständig was an den OBD angeschlossen ist.
Unser Mini ist aus 2009, ich verstehe das auch so das es dann nicht passt.
Es gibt ja noch andere Hersteller, zur Not muss es halt wieder zurück, bzw. ich schreibe den Händler dazu an.
Hat keiner eine Idee zum Drachen in meinem Motor?
•
Beiträge: 17
Themen: 1
Gefällt mir erhalten: 1 in 1 Beiträgen
Gefällt mir gegeben: 1
Registriert seit: 06.03.2018
MINI: R56
Modell: Cooper
Wohnort: RheinMain
Hallo,
wollte mal ein aktuelles Update liefern. Ich habe jetzt doch mal eine Probefahrt mit Live Daten über Carly gemacht. Daraus entstanden noch mal Punkte die ich hinterfragen möchte.
Insgesamt brauchte es eine gefühlte Ewigkeit bis das Thermostat geöffnet hat, ungefähr 20-30 Minuten im Fahrbetrieb.
Die Wassertemperatur ging hoch auf über 108 grad, das Öl angeblich bei 101 grad. Dann plötzlich aber auch erst bei hohen Drehzahlen war die Wassertemperatur plötzlich bei 87 grad und im weiteren Verlauf ging Sie wieder um die 103 grad. Das Öl blieb bei 100 grad.
Ist das normal ? Der Lüfter ging nie an. Der Kühler hatte laut Messung 87 grad gleichmäßig.
Und noch mal eine blöde Frage soll das Wasser im warmen oder kalten Zustand auf Max stehen.
Grüße
PS: wie kann ich den Bilder hier einbinden
(Dieser Beitrag wurde zuletzt bearbeitet: 06.08.2022, 18:51 von
FAB9923.)
•
Beiträge: 268
Themen: 18
Gefällt mir erhalten: 72 in 53 Beiträgen
Gefällt mir gegeben: 68
Registriert seit: 11.02.2018
Wohnort: N
•
Beiträge: 176
Themen: 8
Gefällt mir erhalten: 47 in 37 Beiträgen
Gefällt mir gegeben: 6
Registriert seit: 02.02.2022
MINI: R56
Modell: Cooper S
Beiträge: 17
Themen: 1
Gefällt mir erhalten: 1 in 1 Beiträgen
Gefällt mir gegeben: 1
Registriert seit: 06.03.2018
MINI: R56
Modell: Cooper
Wohnort: RheinMain
Prima danke, dann scheint ja alles normal, auch wenn es sich irgendwie falsch anfühlt. Jetzt muss ich noch herausfinden ab wann der Lüfter laufen muss, und ob er denn überhaupt funktioniert.
Weis da jemand von wo aus das gesteuert wird. Welcher Temperaturfühler?
Noch eine Idee zur Öl Temperatur
•
Beiträge: 176
Themen: 8
Gefällt mir erhalten: 47 in 37 Beiträgen
Gefällt mir gegeben: 6
Registriert seit: 02.02.2022
MINI: R56
Modell: Cooper S
Bei meinem S lass ich mir die Temperatur meist anzeigen damit ich immer weiß, ab wann ich Volllast fahren kann. Bei mir dauerts aktuell so 10-15 min bis der Motor auf Temperatur ist.
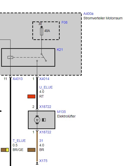
Angesteuert wird der Lüfter über das DME über das Relais K21. Verwendet wird der Temperaturfühler im Thermostat. Beim Cooper S läuft der Lüfter immer und wird geregelt zwischen 7% - 100% Drehzahl. Ob das beim non-S auch so gehandhabt wird kann ich dir nicht sagen. Wenn der Wagen Betriebstemperatur hat sollte der Lüfter aber bei allen Modellen drehen. Denke mal wenn der Lüfter nicht gehen würde, dann würde der Motor im Stand schnell überhitzen.
Der angezeigten Öltemperatur von OBD Geräten brauchst keine Beachtung schenken. Die Öltemperatur wird grob vom DME errechnet und die angezeigten 100°C bedeuten nur, dass das Öl spätestens dann optimale Betriebstemperatur hat. Kannst aber davon ausgehen, dass Öl- und Kühlmitteltemperatur immer ungefähr gleich sind, solange alles Ordnungsgemäß funktioniert. Ob das Öl über der Betriebstemperatur ist kannst beim R56, soweit ich weiß, leider nicht kontrollieren solange du keinen Öltemperatursensor nachrüstest.
Kühlmittelstand sollte im kalten Zustand auf max. sein. Da das System im warmen Zustand unter Druck steht, kann der Kühlmittelstand dabei leicht über max. sein.
(Dieser Beitrag wurde zuletzt bearbeitet: 06.08.2022, 23:20 von
Tuerkay.)